ژنراتور چیست؟
ژنراتور (Generator) یا مولد برق، دستگاهی است که انرژی مکانیکی را از یک منبع خارجی دریافت کرده و آن را از طریق القای الکترومغناطیسی به انرژی الکتریکی تبدیل می کند. این تجهیزات ستون فقرات تأمین برق در مواقع اضطراری و همچنین منبع تولید اصلی در سیستم های خارج از شبکه یا در تاسیسات تولید همزمان (CHP) هستند.
از مراکز داده و موسسات مالی حساس تا تأسیسات صنعتی بزرگ، قابلیت اطمینان بالای ژنراتورها، آن ها را به یک جزء حیاتی در زیرساخت های نوین تبدیل کرده است.
ساختار و اجزای اصلی ژنراتور
یک مجموعه ژنراتور، مستقل از اندازه (از چند کیلووات تا مگاوات)، از دو جزء اصلی تشکیل شده است:
الف. محرک اولیه (Prime Mover)
محرک اولیه منبع انرژی مکانیکی است که برای چرخاندن روتور دینام استفاده می شود. انتخاب نوع محرک بر اساس اندازه، هزینه سوخت و قابلیت دسترسی تعیین می شود:
- رایج ترین نوع: موتورهای دیزلی (برای کاربردهای اضطراری و آماده به کار).
- انواع دیگر: موتورهای احتراق داخلی گاز طبیعی، گاز هاضم (بیوگاز)، پروپان، بیودیزل، یا توربین های بخار (در تأسیسات تولید همزمان).
ب. دینام یا آلترناتور (Alternator)
دینام بخشی است که انرژی مکانیکی چرخشی را به توان الکتریکی تبدیل می کند. دینام ها معمولاً ماشین های سنکرون هستند که توسط محرک اولیه در سرعت مشخصی (برای تولید فرکانس خروجی مورد نیاز، مانند ۵۰ یا ۶۰ هرتز) چرخانده می شوند.

👇لیست محصولات خازن صنعتی بهنیکو
انواع ژنراتور از نظر ساختار الکتریکی
ژنراتورها عمدتاً به دو دسته سنکرون و آسنکرون تقسیم می شوند که تفاوت های بنیادینی در نحوه عملکرد و کاربرد دارند:
الف. ژنراتور سنکرون (Synchronous Generator)
نوع رایج در اکثر کاربردهای صنعتی و تولید برق اصلی.
- ساختار: دارای سیم پیچ های میدان DC در روتور که توسط یک منبع خارجی (تحریک کننده) تغذیه می شود.
- عملکرد: ولتاژ خروجی با تغییر جریان میدان DC کنترل می شود. فرکانس توسط سرعت چرخش موتور (گاورنر) کنترل می شود.
- مزیت کلیدی: ژنراتور سنکرون کنترل دقیقی بر توان تولیدی (اکتیو و راکتیو) ارائه می دهد و می تواند به صورت مستقل (ایزوله) یا موازی با شبکه کار کند.
ب. ژنراتور آسنکرون یا القایی (Asynchronous/Induction Generator)
ساختار آن اساساً شبیه موتور القایی قفس سنجابی است.
- عملکرد: این ژنراتور موتوری است که بالاتر از سرعت سنکرون رانده می شود تا نیرو تولید کند.
- محدودیت کلیدی: ژنراتور آسنکرون تحریک کننده ندارد و برای فعال شدن میدان مغناطیسی، باید حتماً به منبع دیگری (مانند شبکه توزیع) متصل شود و نمی تواند به عنوان ژنراتور اضطراری/آماده به کار مستقل عمل کند.
- مزیت: ساختار ساده، قابلیت اطمینان بالا، و کنترل ولتاژ و فرکانس توسط شبکه اصلی انجام می شود، بنابراین به گاورنر و تنظیم کننده ولتاژ خارجی پیچیده نیاز نیست.

انواع مدل های کاربردی ژنراتور
استفاده از ژنراتور در صنعت به سه مدل اصلی تقسیم می شود:
- ژنراتور اضطراری آماده به کار (Standby/Emergency): ساده ترین نوع. یک ژنراتور تنها که به طور مستقل کار می کند و تنها در زمان قطع برق شبکه اصلی، از طریق یک سوئیچ انتقال (ATS)، وارد مدار می شود.
- سیستم ژنراتورهای چندگانه ایزوله: شامل چندین ژنراتور آماده به کار است که برای تأمین بارهای بزرگ یا بهبود قابلیت اطمینان، به صورت موازی با یکدیگر کار می کنند (اما همچنان ایزوله از شبکه).
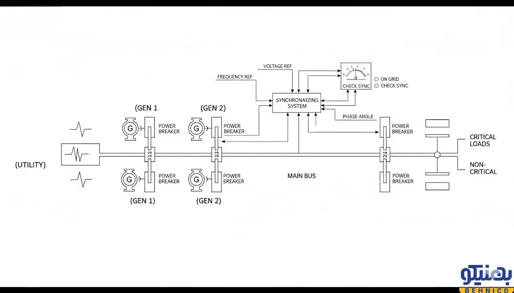
- ژنراتور تکی یا چندگانه موازی با شبکه توزیع: ژنراتورها (معمولاً سنکرون) به صورت پیوسته و همزمان با شبکه برق شهری کار می کنند (مانانند نیروگاه های مقیاس کوچک یا تولید همزمان). این سیستم نیاز به کنترل و حفاظت پیچیده (سنکرونایز دقیق) دارد.
کنترل ژنراتور و اهمیت سنکرونایز
برای عملکرد پایدار، ژنراتورها دارای کنترل کننده هایی برای حفظ فرکانس (سرعت) و ولتاژ خروجی هستند:
- فرمان دهنده (Governor): سرعت موتور و در نتیجه فرکانس خروجی (و توان اکتیو) را تنظیم می کند.
- تنظیم کننده ولتاژ (Voltage Regulator): با تنظیم جریان میدان DC، ولتاژ خروجی را به مقدار مورد نظر ثابت نگه می دارد.
سنکرونایز (Synchronizing): اگر قرار باشد ژنراتورها به صورت موازی با یکدیگر یا با شبکه برق کار کنند، عملیات سنکرونایز حیاتی است. این کار باید با دقت بالا انجام شود تا فرکانس، ولتاژ و توالی فاز ژنراتور با شبکه یکسان شود. در غیر این صورت، موازی سازی خارج از فاز می تواند آسیب شدیدی به سیم پیچ ها وارد کند.

نکته تخصصی؛ نقش ژنراتور سنکرون در جبران ضریب توان
ژنراتورهای سنکرون مزیت بزرگی در مدیریت کیفیت توان دارند: آن ها با کنترل تحریک میدان، می توانند جریان پیش فاز یا پس فاز تولید کنند. به این معنی که قادرند توان راکتیو را به شبکه تزریق یا از آن جذب کنند. این قابلیت به اپراتور امکان می دهد تا ضریب توان سیستم را بهبود بخشیده و به مقادیر استاندارد (مثلاً ۰.۹ به بالا) نزدیک نگه دارد.
✅جبران توان راکتیو با خازن
تنظیم ضریب توان توسط ژنراتور سنکرون در مواقع ضروری مفید است، اما راهکار اصلی، دائمی و اقتصادی برای جبران توان راکتیو در حالت عادی کار شبکه، استفاده از خازن های صنعتی است. اگر کارخانه شما با جریمه های ناشی از پایین بودن ضریب توان و مصرف توان راکتیو بالا مواجه است، مجموعه بهنیکو با ارائه انواع خازن های صنعتی سه فاز می تواند به شما کمک کند.
سوالات متداول (FAQ)
1. تفاوت اصلی ژنراتور سنکرون و آسنکرون چیست؟
ژنراتور سنکرون می تواند به تنهایی کار کند و ولتاژ و فرکانس خود را مستقلاً تنظیم کند (دارای تحریک خارجی است). ژنراتور آسنکرون (القایی) باید حتماً به یک شبکه برق یا منبع دیگری متصل شود تا بتواند تحریک مورد نیاز خود را تأمین کند و نمی تواند به صورت ایزوله کار کند.
2. چرا ژنراتورهای آسنکرون در تولید همزمان (CHP) محبوب هستند؟
به دلیل ساختار ساده تر، هزینه نگهداری پایین و این واقعیت که فرکانس و ولتاژ توسط شبکه اصلی کنترل می شود (نیاز به کنترلرهای پیچیده ندارد).
3. گاورنر و تنظیم کننده ولتاژ چه نقشی دارند؟
گاورنر سرعت موتور (فرکانس) و توان اکتیو را کنترل می کند. تنظیم کننده ولتاژ جریان میدان (تحریک) و ولتاژ خروجی (و توان راکتیو) را کنترل می کند.
4. در صورت موازی سازی خارج از فاز چه اتفاقی می افتد؟
اگر ژنراتورها خارج از فاز (ناهماهنگ) موازی شوند، اختلاف پتانسیل بسیار زیادی بین آن ها ایجاد شده و جریانات اتصال کوتاه بسیار بالا رد و بدل می شود که منجر به آسیب شدید و سوختن سیم پیچ های ژنراتورها خواهد شد.
🟢 نصب بانک خازنی
اگر به دنبال راهی تضمینی برای حذف جریمه های توان راکتیو هستید، بهترین راهکار طراحی و نصب بانک خازنی اتوماتیک است. برای دریافت مشاوره تخصصی جهت طراحی و نصب بانک خازنی استاندارد که ضریب توان شما را به حد استاندارد برساند، با تیم فنی مجموعه بهنیکو تماس بگیرید. 01144443988 - 01144443979







